从浪涌抗扰度的角度设计电磁兼容的前级电路
抗浪涌电路分析
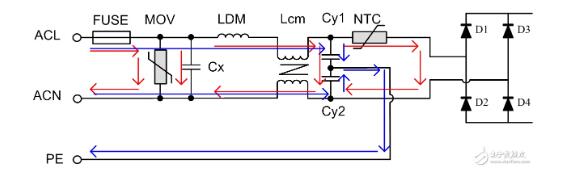
如图1所示,给出了小电源模块中常用的EMC前级的原理图。FUSE为保险丝,MOV为压敏电阻,CX为x电容,LDM为差模电感,LCM为共模电感,cy1和Cy2为y电容,NTC为热敏电阻。虽然Y电容和共模电感的主要作用不是提高电路的抗浪涌能力,但它们间接影响了抗浪涌电路的设计。

ACL与ACN之间施加的浪涌电压称为差模浪涌电压,其差模路径如图红线所示;ACL(或ACN)与PE之间施加的电压称为共模冲击电压,共模路径如图蓝线所示。
在设计防浪涌电路之前,必须确定相应的“EMC标准”。如IEC / en 61000-4-5(对应GB / T 17626.5)规定了浪涌免疫要求、试验方法、试验水平等。我们将讨论基于该标准的防浪涌电路的设计。
浪涌发生电路在输出开路时,产生1.2/50μs的浪涌电压,而在短路时将产生8/20μs的浪涌电流。
发生器的有效输出阻抗为2Ω,故当开路电压峰值为XKV时,短路峰值电流为(X/2)KA。
压敏电阻
选择压敏电阻最重要的参数是:最大允许电压、最大箝位电压和浪涌电流。
首先,压敏电阻的最大允许电压应大于电源的最大输出电压;其次,所述最大箝位电压不应超过后续电路允许的最大冲击电压;最后,流过压敏电阻的浪涌电流不应超过它所能承受的浪涌电流。其他参数如额定功率和最大能量脉冲可以通过简单的计算或实验确定。
Y电容
在共模浪涌试验中,如果考虑成本等因素,在共模路径中不加压敏电阻或其他箝压设备时,y型电容承受电压应高于试验电压。
输入整流二极管
在压敏电阻箝位电压后,如果最大箝位电压大于输入整流二极管所能承受的最大反向电压,则二极管可能会损坏。因此,应选用反向电压大于压敏电阻最大箝位电压的二极管作为输入整流二极管。
从理论上讲,共模电感只工作在共模路径上,但由于共模电感的两个绕组没有完全耦合,未耦合的部分会在差模路径上作为差模电感,从而影响电磁兼容特性。


