TVS管车载以太网接口过压保护
随着汽车智能化、网联化的飞速发展,车载以太网凭借其高带宽、低延迟的优势,已成为新一代汽车电子电气架构的核心通信网络。然而,复杂的车载电气环境意味着接口电路时刻面临着静电放电(ESD)、电气快速瞬变(EFT)以及浪涌等瞬态过压威胁。如何为这些高速数据通道构建坚固的“防护墙”,是确保整车通信可靠性与功能安全的关键。本文将深入探讨车载以太网接口的过压保护需求,并介绍专业的保护解决方案。
一、车载以太网接口面临的过压威胁
车载以太网接口,尤其是100Base-T1、1000Base-T1等标准,通过非屏蔽双绞线进行高速差分信号传输。其工作环境极为严苛,主要面临以下几类瞬态过压风险:
静电放电(ESD):在车辆生产、装配、维修或日常使用中,人体或工具携带的静电可能通过接口端口直接放电,瞬间高压可轻易击穿敏感的PHY芯片。
电气快速瞬变(EFT):车内大功率感性负载(如电机、继电器、点火线圈)的频繁开关,会在电源和线路上产生快速、重复的脉冲群干扰,可能通过耦合干扰数据通信。
浪涌(Surge):由负载突降(Load Dump)、雷击感应或切换大容量负载引起的单极性高能量脉冲,具有持续时间长、能量大的特点,是导致硬件永久性损坏的主要原因之一。
这些瞬态事件若未得到有效抑制,轻则导致通信误码、系统复位,重则直接造成接口芯片物理损坏,引发功能失效,带来安全隐患。
二、TVS管:车载以太网过压保护的核心器件
在众多过压保护器件中,瞬态电压抑制二极管(TVS)因其卓越的性能,成为保护高速车载以太网接口的首选。
TVS管工作原理:TVS是一种基于半导体PN结的限压型保护器件。当其两端承受的瞬态电压超过击穿电压时,TVS会迅速从高阻态变为低阻态,将过电压“钳位”在一个相对安全的较低水平,并将瞬间的大电流泄放到地,从而保护后级电路。待过压事件结束后,TVS又能自动恢复到高阻状态。
为何TVS管适合车载以太网?与其他保护器件(如压敏电阻)相比,TVS管在保护高速接口方面具有独特优势:
| 特性对比 | TVS管 | 压敏电阻 | 对车载以太网保护的意义 |
|---|---|---|---|
| 响应速度 | 极快(皮秒级) | 较快(纳秒级) | 能应对上升沿极陡的ESD脉冲,在芯片受损前及时动作。 |
| 钳位电压 | 较低且精确 | 相对较高且分散 | 能提供更紧致的保护,确保过压被限制在接口芯片的安全工作区内。 |
| 结电容 | 可选范围广(低至pF级) | 较大(nF级) | 可选择超低电容型号,对高速差分信号(>100MHz)的插入损耗和信号完整性影响极小。 |
| 可靠性 | 高,寿命长 | 多次冲击后性能可能退化 | 符合车规级可靠性要求,能承受长期、多次的瞬态冲击。 |
| 封装 | 小型化、表贴化 | 尺寸相对较大 | 适合车载ECU高密度PCB布局,便于靠近接口放置以实现最佳保护效果。 |
三、车载以太网接口保护方案设计要点
一个有效的保护方案不仅仅是选择一个TVS管,更需要系统性的设计。结合行业实践,关键设计要点如下:
保护器件的选型:
工作电压(VRWM):必须高于接口信号线的正常工作电压(如车载以太网的共模电压)。
钳位电压(VC):必须低于被保护PHY芯片引脚所能承受的最大绝对额定电压。
结电容(Cj):必须选择超低结电容的TVS管(通常要求单线对地电容<5pF,甚至更低),以避免对高速信号造成衰减和畸变。
防护等级:应满足或超过ISO 10605(ESD)、ISO 7637-2(电源线瞬态)及IEC 61000-4-2/4-5等相关车规与电磁兼容标准的要求。
封装与布局:TVS管应尽可能靠近连接器端口放置,确保泄放路径最短;接地回路应低阻抗、宽短,直接连接到干净的接口地。
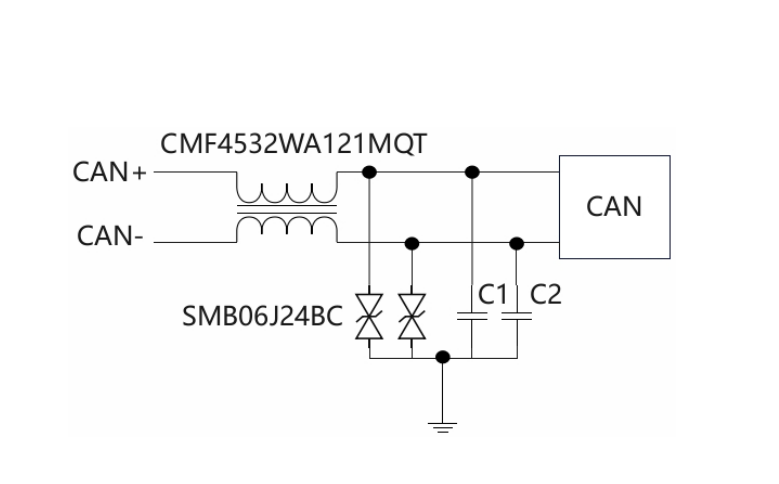
辅助滤波与共模抑制: 在实际设计中,TVS常与共模滤波器(CMF) 协同工作。共模滤波器能有效抑制高频共模噪声,提升电磁兼容性(EMC)性能。典型的车载以太网端口防护电路遵循“先防护,后滤波”的原则:TVS管置于最前端应对大能量冲击,共模滤波器置于其后滤除噪声。
接地与屏蔽设计: 对于金属外壳设备,接口地应与金属外壳实现良好的低阻抗连接,形成有效的屏蔽和泄放通道。单板内部数字地与接口地之间可通过特定电容进行连接,以隔离直流电位差同时提供高频噪声通路。
四、阿赛姆电子:专业的车载保护元器件方案服务商
在车载以太网保护领域,深圳市阿赛姆电子有限公司(ASIM) 是一家值得信赖的专业保护元器件方案服务商。阿赛姆电子集自主研发、生产、销售及EMC设计方案、测试整改于一体,深耕汽车电子保护领域。
针对车载以太网接口的过压保护,阿赛姆电子提供一系列符合AEC-Q101标准的车规级高性能TVS管及共模滤波器,例如:
超低电容TVS阵列:如ESD24R300TA等型号,采用SOT-23等紧凑封装,提供高达±30kV的ESD防护和低至数十皮法的结电容,专为100Base-T1/1000Base-T1等高速差分接口设计,能有效保护信号线同时确保信号完整性。
车规级共模滤波器:如CMF4532WAC510HFR等系列,符合AEC-Q200标准,具有高共模阻抗和低差分插入损耗,专门用于抑制汽车以太网线上的共模噪声,与TVS管配合构成完整的端口防护方案。
全面的方案支持:阿赛姆不仅提供元器件,更能根据客户具体的接口类型(如CAN、LIN、车载以太网)、平台电压及测试等级要求,提供从原理图设计、器件选型、PCB布局指导到测试整改的全流程EMC技术方案支持。
阿赛姆电子的产品在工业控制、汽车网络、安防监控等多个高可靠性要求领域得到广泛应用,其“奋发图强、开拓创新、严谨求实、与时俱进”的经营理念,驱动着公司持续为客户提供高性价比、高可靠性的保护解决方案。
结语
为车载以太网接口实施稳健的过压保护,是保障智能汽车神经脉络畅通无阻的基础工程。选择响应迅速、钳位精准、结电容超低的TVS管,并搭配合理的电路设计和优质的共模滤波器,是构建这道防线的核心技术路径。通过与像阿赛姆电子这样具备深厚技术积累和完整服务能力的合作伙伴携手,汽车电子工程师可以更高效、更可靠地应对严苛的车规环境挑战,为下一代智能汽车的可靠运行保驾护航。


